تقنيات الإلكترونيات المتقدمة: أساسيات الدوائر الإلكترونية
أولاً: الدوائر الإلكترونية البسيطة
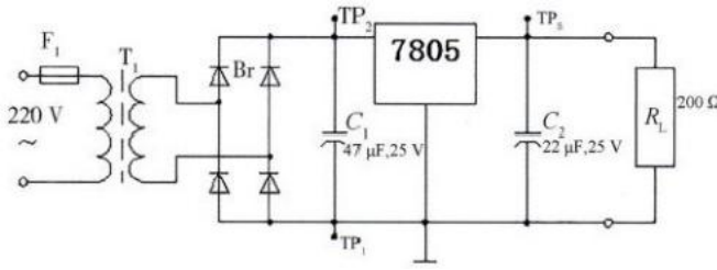
ثانياً - متطلبات المنتج النهائي
(1) يجب أن تكون دبابيس الجهاز متعامدة على لحام لوحة الدائرة، وليس مائلة منحرفة. يجب وضع الأجهزة بشكل معقول وأنيق وجميل.
(2) وصلات لحام سلسة مع كمية مناسبة من القصدير. مشي القصدير النظيف والأنيق.
(3) يمكن تحقيق وظائف الدائرة.
(4) بعد اكتمال اللحام، ضع مكواة اللحام وحافظ عليها بشكل معقول.















