船舶电力系统绝缘实务:原理、监测装置与故障排查全指南
一、 船舶电力系统绝缘概述
船舶电网通常采用三相三线绝缘系统。船舶电网如果发生单相接地,虽然不影响三相电压的对称性,也不影响用电设备的正常工作,但存在危险隐患,增加了人体触电的危险;如果另外一相再发生接地,此时,另外两相对地之间已是线电压,且再有一相接地,就会造成线间短路的故障。电网中任一点单相接地都属于异常工作状态,须及时发现并消除。为了保障电网的正常运行,船舶电网的绝缘电阻不得低于1 MΩ。
用于电力、电热和照明的绝缘配电系统,不论是一次系统,还是二次系统,均应设有连续监测绝缘电阻,而且能在绝缘电阻异常较小时,发出听觉或视觉报警信号的绝缘电阻监测装置。
船舶主配电板照明配电屏上,设有电网绝缘监测装置,有地气灯、配电板式兆欧表、电网绝缘监测仪等,它们都是在电网有电时进行工作的。通常,绝缘指示灯用于监测电网是否单相接地;专用配电板式兆欧表(或监测仪)用于监测电网的绝缘电阻值。
二、 绝缘指示灯监测原理
绝缘指示灯法监测系统绝缘仅适用于三相绝缘系统,其工作原理如图7-1所示。

图7-1 绝缘指示灯工作原理图
工作逻辑解析:
L₁、L₂、L₃三个指示灯接成Y 形接法,当电网绝缘正常时,三个灯两端均是相电压,亮度相同。当某一相出现接地故障,如A 相接地,值班人员按下ELS 检测按钮,则L₃ 灯两端电压为0,灯泡不亮;此时可以将A 相电位与接地线电位等效。这样其余两灯的两端电压分别为 UBA 和 UcA,是线电压,则L₁ 、L₂灯的亮度增强。
若 只是A 相绝缘性能降低,也会造成L₃ 灯亮度减弱,L₁ 、L₂灯亮度增强,从而提醒值班人员“电力系统中A 相有接地故障”,但是三相都绝缘性能下降时,则很难判断,因此,又称单相接地监测。
三、 配电板式兆欧表详析
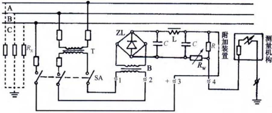
配电板式兆欧表安装在主配电板上,配电板式兆欧表由测量表头和附加装置构成,如图 7-2所示。它能在线随时监测船舶电网的绝缘电阻,通过转换开关分别测量380 V(440V) 动力电网和220 V(110V) 照明电网绝缘电阻,如图7-3所示。

(a) 测量表头

(b) 背部接线端子
图7-2 配电板式兆欧表

图7-3 配电板式兆欧表和转换开关实物图
(一) 连续监测装置工作原理
配电板式兆欧表连续监测装置能在接地异常时发出声光报警。其工作原理如图7-4所示:假设当电网C 相绝缘性能低时,漏电流如图中流向形成回路,使得测量机构指针偏转,偏转角度对应接地程度。

图7-4 配电板式兆欧表工作原理图
1. 动力电网监测:若测动力电网的绝缘电阻,当电网绝缘下降时,漏电流将增大,漏电流经电源正极接线柱3 → 电网 → 绝缘电阻Rx → 测量机构 → 接线柱4(电源负极),漏电流越大,测量机构指针偏转越大,则说明绝缘电阻越小。其余A 或 B 相接地也同样使得表头偏转。
2. 照明电网监测:当测量照明电网对地绝缘时,将转换开关从零位打到220V 位,从附加装置正端流出的直流电流经转换开关到220V 照明电网,再经照明电网对地的绝缘电阻流到测量表头,最后流回附加装置的负端。
3. 结果判断:动力电网对地绝缘的测量同照明网络。电网对地绝缘电阻越低,表头指针偏转就越大,当一相接地时,表头指针偏转最大,指示绝缘电阻值为0。
(二) 船级社规范要求
对于新建造的船舶,各船级社规定:用于电力、电热和照明的绝缘配电系统,不论是一次还是二次配电网络,均应设有连续监测装置,用以监测相对于船体的绝缘电阻,且在绝缘电阻异常低时发出声光信号。一旦对船体的绝缘电阻下降至每伏电源电压100 Ω以下,必须触发报警装置。
四、 照明网络接地故障查找实务
船舶电网接地故障大多发生在照明网络,当值班人员通过配电板式兆欧表发现绝缘电阻低时,应及时找出接地故障点,排除故障隐患,必要时,可以采用分区断电的方法排查,分级逐个去检查,直到找出故障点。













