交流电路测量与交流仪表解读
一、交流仪表解读
交流仪表多数为电磁系仪表,利用线圈通电后产生磁场磁化铁片来产生电磁力。当测量大电量时,可配合仪用互感器进行使用。仪用互感器是指配合仪表使用的变换器,包括电压互感器和电流互感器。互感器通过电磁感应原理实现电压/电流的比例变换,将高压/大电流转换为仪表可承受的低压/小电流。
二、功率表接线解读
功率表大多数为电动系结构,可以测量直流电路的功率,也可以测量正弦和非正弦交流电路的功率,而且准确度高。功率表反映电压和电流的乘积,通常制成多量程。
(一) 功率测量
1. 功率测量的方法:见表13-1 。
| 名称 | 测量线路 | 说明及注意事项 | |
| 直流电 路功率 的测量 | ![]() |
接线时“发电机端”(符号)必须接到电 源的同一极性上 | |
|
单相交流电路 功率的测量 |
(a) (b) |
(1)标有“ · ”号的电压端钮,可以接至 电流端的任一端。图(b)为电压线圈后 接,用于R₁接近Ry时。 (2)标有“ · ”号的电流端钮,必须接至 电源的一端,另一电流端钮接至负载端 | |
|
三相交流 电路功率 的测量 |
三相三线 制电路的 接线 | ![]() | 电路总功率等于两个功率表读数的代 数和。 当负载cosφ<0.5时,则有一只功率表的 读数为负值,即功率表反转 |
|
三相交流 电路功率 的测量 | 三相四 线制电 路的接 线 | ![]() | 用三只单相功率表测得各相功率,电路 总功率为三只功率表读数之和 |
| 三相功 率表测 量时的 接线 | ![]() (a) (b) |
图(a)为直接接入电路的接法; 图(b)为带有电流互感器接入电路的 接法 |
2. 功率表的使用方法:接线时固定线圈(电流线圈)串联,可动线圈(电压线圈)并联。
(1) 功率表的量程选择:必须同时满足电压和电流不超限。例如功率 800W, 电压 220V, cosφ=0.8。
计算电流:I=P/Ucosφ=800/220×0.8≈4.54(A)
结论:选用 300V / 5A 功率表。注意:150V/10A 的表虽然量程也是 1500W,但电压超限,不可使用。
(2) 功率表的读数计算:P=CN。其中功率表常数 C=UN·IN/αm。
(3) 功率表的接线:遵守“同名端”守则(电源端“·”或“±”),保证电流从同名端流入。

图13-5 电磁式单相电度表接线图
(二) 电能测量
1. 单相电度表
(1) 电磁式单相电度表:利用电压/电流线圈产生的涡流与磁通作用产生力矩,驱动铝盘旋转。制动磁铁确保转速与功率一致。

图13-4 电磁式单相电度表
其接线包括串联线圈电磁铁、并联线圈电磁铁、计度器齿轮及端子板。

图13-5 电磁式单相电度表接线图

图13-6 电磁式单相电度表读数
(2) 电子式单相电度表:通过采集信号并累积时间计算:W=(N₂-N₁)K,其 中N₂ 和 N₁ 分别代表 电度表的两个读数。电子式单相电度表可以确保读数的准确性。规定采用加计数方式,接线不正确也能计量。

图13-7 电子式单相电度表接线
读数方法:若经互感器接入,实际电量W=(N₂-N₁)K(K为变比)。
2. 三相电度表
(1) 直接接入法:负载电流 < 100A 时使用。

图13-8 三相电度表直接接线示意图
(2) 通过互感器连接:电流 > 100A 时,将大电流转换为 5A。CT 二次侧 K₂ 端应接地。

图13-9 三相电度表通过电流互感器连接接线示意图
3. 功率表接线要点与注意事项
- (1) 出表线需额定 500V 绝缘铜芯线,截面至少 2.5mm²。
- (2) 导线敷设采用线码、槽板或塑料管。
- (3) 相序标记:黄(A)、绿(B)、红(C);中性线黑色。
- (4) 留意 CT 一次线变比,正确压接接线耳。
- (5) 新表依图纸接线,旧表需用万用表实测端子。
- (6) 带 CT 的三相四线电度表,必须取下三个电压线圈连接片!
- (7) CT 极性:P₁ 进 P₂ 出时,K₁ 接 1,4,7;K₂ 接 3,6,9。反接会导致反转。
- (8) 母排固定 CT 需防热处理,建议缠绕玻纤布隔离。
- (9) 走线前测量直流电阻,预防导线内部断路。
- (10) 确保电压电流同相:A 相 CT 对应 A 相电压端子,严禁跨相取电。
三、交流电路故障分析
故障分为有明显特征(如冒烟、过热)和无明显特征(如动作失灵、断路)。诊断一般分为“望、问、闻、切”四个步骤:
“切”的四个步骤:
第一步:保养性例行检修,防潮防尘。
第二步:先排除明显故障(如导线断线、触点烧损)。
第三步:多故障分清主次,先易后难。从后向前检修电源和流程。
第四步:根据旋钮判断范围,缩小故障点找到元件。
(一) 通电检查法
1. 要求:注意人身安全。尽可能切断主电路,仅给控制电路带电;电机空载运行。
2. 测量法:使用验电笔、万用表、钳形表等。复杂系统可用示波器。注意防回路电误判。
3. 故障检查具体方法
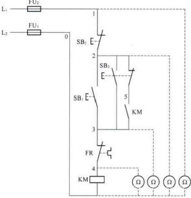
(1) 校验灯法:380V 电路选 220V 灯泡。低电位接零线,分点碰触。

图13-10 380V校验灯法
表13-2 校验灯法查找故障点
| 故障现象 | 测试状态 | 0和2 两点之间 | 0 和 3 两点之间 | 0和4 两点之间 | 故障点 |
|
按下SB₁ 时, KM不吸合 |
未按下SB₁ | 不亮 | 不亮 | 亮 | FR常闭触点接触不良 |
| 亮 | 不亮 | 亮 | SB₂常闭触点接触不良 | ||
| 亮 | 亮 | 不亮 | KM线圈断路 | ||
| 断开KM线圈,按下SB₁ | 亮 | 亮 | 不亮 | SB₁触点接触不良 |
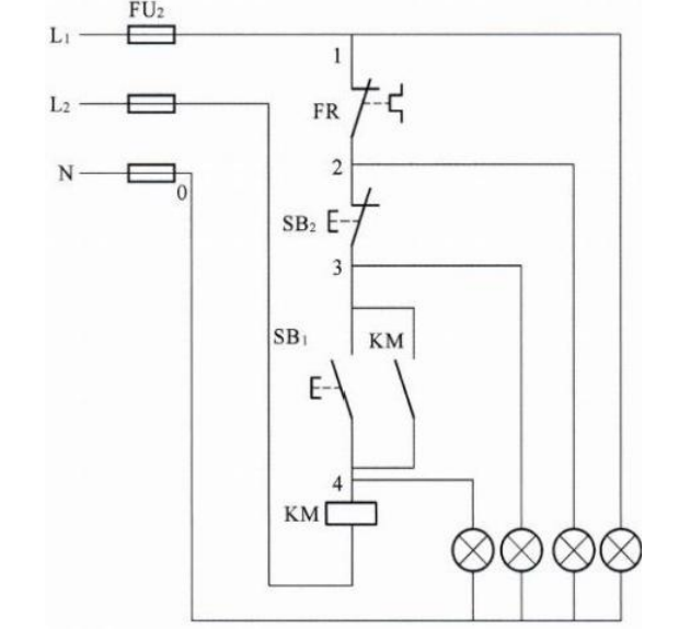
(2) 验电笔法:安全但受限(如触点爬弧可能误导)。从 A 点依次测至 F 点,若发光变暗则前段有故障。

图13-11 验电笔法
(二) 断电检查法

图13-12 电动机单向启动自锁控制线路图
针对短路或冒烟故障。需断开主电路(如 A/B 点),拆下电机接线防止绕组导通误判。以电动机单向启动自锁控制线路为例:图13-12 。
(三) 电压检查法 (带电测量)
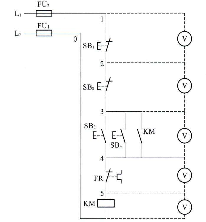
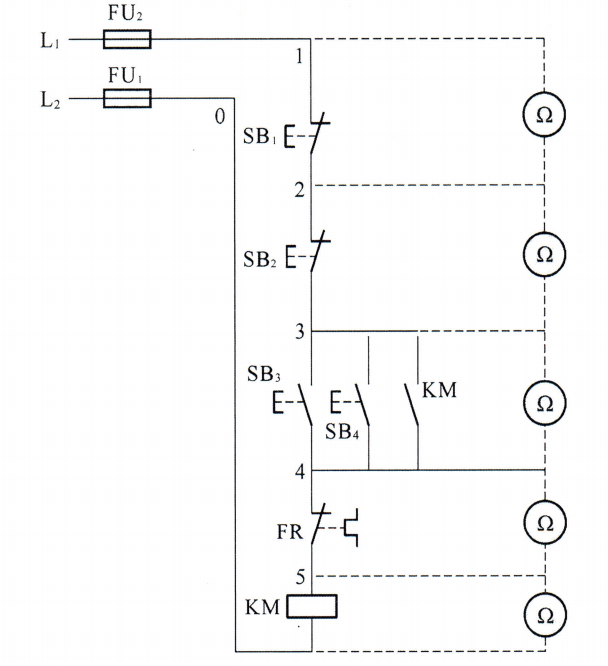
1. 电压分阶法:黑笔固定 0 点,红笔依次测 2,3,4,5 点。测得 380V 为正常,0V 则前段断路。图13-13 。

图13-13 电压分阶测量法
表13-3 电压分阶测量法所测电压值及故障点
| 故障现象 | 测试状态 | 0 和 2 两点之间 | 0和3 两点之间 | 0 和 4 两点之间 | 0 和 5 两点之间 | 故障点 |
| 按下SB 或SB₃ 时, KM不吸合 |
按下SB₁ 不放 | 0 | 0 | 0 | 0 | SB₂常闭触点接触不良 |
| 380V | 0 | 380 V或0 | 380 V或0 | SB₃常闭触点接触不良 | ||
| 380 V | 380V | 0 | 0 | SB₁触点接触不良 | ||
| 380V | 380V | 380V | 0 | FR常闭触点接触不良 | ||
| 380V | 380V | 380V | 380V | KM线圈断路 |
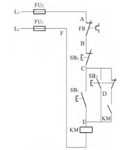
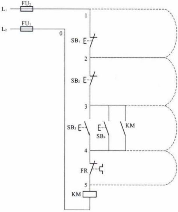
2. 电压分段法:两笔测量相邻点(1-2, 2-3…)。正常电压为 0V,有故障则显示 380V。图13-14 。

图13-14 电压分段测量法
表13-4 电压分段测量法所测电压值及故障点
| 故障现象 | 测试状态 | 1和2 两点之间 | 2 和 3 两点之间 | 3 和 4 两点之间 | 4 和 5 两点之间 | 5和0 两点之间 | 故障点 |
|
按下SB₃或 SB₄ 时, KM不吸合 |
按下 S B₃或 SB₄ 不放 | 380V | 0 | 0 | 0 | 0 | SB₁常闭触点接触不良 |
| 0 | 380 V | 0 | 0 | 0 | SB₂常闭触点接触不良 | ||
| 0 | 0 | 380V | 0 | 0 | SB₃或SB₄常开触点 接触不良 | ||
| 0 | 0 | 0 | 380V | 0 | FR常闭触点接触不良 | ||
| 0 | 0 | 0 | 0 | 380V | KM线圈断路 |
(四) 电阻检查法 (断电测量)
⚠️ 必须切断电源!
1. 电阻分阶法:测 0-1, 0-2… 正常为线圈电阻,∞ 为断路。图13-15 [电阻分阶图]。

图13-15 电阻分阶测量法
测量前先断开主电路电源,接通控制电路电源。若按下启动按钮SB 或 SB₃ 时,接触器 KM不吸合,则说明控制电路有故障。
检测时应切断控制电路电源(这点与电压分阶测量法不同),然后一人按下SB₁ 不放,另 一人用万用表依次测量0和1、0和2、0和3、0和4两点之间电阻值,根据测量结果可找出故 障点,见表13-5。
表13-5 电阻分阶测量法所测电阻值及故障点
| 故障现象 | 测试状态 | 0和1 两点之间 | 0 和 2 两点之间 | 0和3 两点之间 | 0和4 两点之间 | 故障点 |
| 按下SB₁或 SB₃ 时,KM不 吸合 | 按 下 S B 不放 | 00 | R | R | R | SB₁常闭触点接触不良 |
| 0 | 00 | R | R | SB₁或SB₃常开触点接触不良 | ||
| 00 | 00 | 00 | R | FR常闭触点接触不良 | ||
| 00 | 00 | 0 | 0∞ | KM线圈断路 |
注:R为 KM线圈电阻值。
2. 电阻分段法:测相邻点,如 1-2, 2-3。若 ∞ 则说明断路。注意并联电路干扰。图13-16 [电阻分段图]。

图13-16 电阻分段测量法
表13-6 分段测量法所测电阻值及故障点
故障现象 | 测量点 | 电阻值 | 故障点 |
|
按下SB₃或SB₄ 时, KM不吸合 | 1 和 2 | ∞ | SB₁常闭触点接触不良 |
| 2 和 3 | 00 | SB₂常闭触点接触不良 | |
| 3 和 4 | 00 | SB₃或SB₄常开触点接触不良 | |
| 4 和 5 | 00 | FR常闭触点接触不良 | |
| 5 和 0 | 00 | KM线圈断路 |
(1)用电阻分段测量法检查故障时, 一 定要先切断电源;
(2)所测量电路若与其他电路并联,必须断开并联电路,否则所测电阻值不准确;
(3)测量高电阻电器元件时,要将万用表的电阻挡转换到适当挡位。
(五) 短接检查法
用绝缘导线短接可疑断路处。注意:严禁短接负载(如线圈 5-0 之间),严禁跨大压降元件短接。

图13-17 短接检查法
用短接法检查故障时必须注意以下几点:
(1)用短接法检查时,是用手拿着绝缘导线带电操作的,所以一定要注意安全,避免触电 事故;
(2)短接法检查只适用于压降极小的导线及触点之类的断路故障,对于压降较大的电器, 如出现电阻、线圈、绕组等断路故障,则不能采用短接法,否则会短路;
(3)对于工业机械的某些要害部位,必须在保证电气设备或机械设备不会出现故障的情 况下,才能使用短接法。
使用短接法检查前,先用万用表测量如图13- 17所示1和0两点之间的电压,若电压正 常,可一人按下启动按钮SB₃ 或 SB₄ 不放,然后另一人用一根绝缘性能良好的导线,分别短接 标号相邻的1和2两点、2和3两点、3和4两点、4和5两点(注意:千万不要短接5和0两点, 否则会造成短路),当短接到某两点时,接触器 KM 吸合,则说明断路故障就在该两点之间,见 表13-7。
表13-7 短接法查找故障点
| 故障现象 | 短接点标号 | KM动作 | 故障点 |
| 按下SB₃或SB₄ 时, KM不吸合 | 1和2 | 吸合 | SB₁常闭触点接触不良 |
| 2 和 3 | 吸合 | SB₂常闭触点接触不良 | |
| 3 和 4 | 吸合 | SB₃或SB₄常开触点接触不良 | |
| 4 和 5 | 吸合 | FR常闭触点接触不良 |



















