电动机主回路短路与缺相故障分析与排除
正反转电路在船舶上的应用是至关重要的,这些设备包括但不限于绞缆机、起货机、锚机、舷梯以及各种辅助机械(如泵和风机)等。在设计时,为防止短路或其他电气故障导致的安全事故,所有正反转电路都应配备互锁机制,包括但不限于机械互锁以及电气互锁,确保两个方向的接触器不会同时闭合。
一、 电动机主回路短路故障分析与排除
短路是电路中的一种故障状态,在这种状态下,电流没有通过预期的负载(如电阻、灯泡或其他用电设备),而是通过了一个低阻抗路径并直接返回电源。在理想情况下,电路中的电流应该流经所有设计好的组件,包括各种用电电器和保护装置。然而,在短路的情况下,电流会绕过这些组件,找到一条电阻更小的路径,这通常意味着电流将直接从电源的一个极流向另一个极,而无须经过任何或仅经过很少的负载。
1. 短路类型
在三相电力系统中,不同相之间发生非正常连接。既可能出现在用电设备上,也可能出现在线路上。
一相或多相带电导体与地面(或接地的金属部件)之间的非正常接触。
2. 主回路短路故障的原因
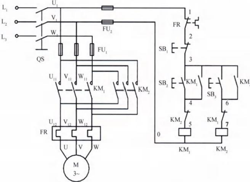
图21-1所示为一个电动机正反转电路。为了防止电动机在正反转切换时因惯性未完全停止导致的机械冲击或电气过载,有的正反转电路会设置时间继电器。在图中,可以假设KM₁ 接触器是正转接触器,KM₂ 是反转接触器,SB₂ 为正转启动按钮,SB₃ 为反转启动按钮,SB₁ 为总停止按钮。

(1) 主回路相间短路:可能发生在主回路任一部位。U₁、V₁、W₁ 任意两条电缆不与用电设备直接碰触即可发生。具体原因包括:
- ● 接触器主触点粘连:KM₁ 或 KM₂ 主触点熔焊或机械卡阻。若此时按下反转启动按钮,会导致电源两相短路。可通过万用表测量接触器上下两端是否断开判断。
- ● 互锁失效:控制回路中KM₂的常闭触点粘连。在电动机正转时按下反转按钮SB₃,可能导致主回路短路。
- ● 物理因素:接线盒接线松脱、振动摩擦导致绝缘层破损、环境极度潮湿(接线盒进水)等。
(2) 电动机匝间短路:指同一绕组中相邻线圈(匝)之间因绝缘损坏而导致的短路。会引发电流失衡、过热及机械损伤。可通过万用表测量三相绕组阻值是否大致相等进行初步判断。
二、 电动机主回路缺相故障分析与排除
故障排查逻辑
测量 L₁-L₂、L₂-L₃、L₁-L₃ 间的电压。若熔断器(FU₁)烧毁,可用断电排查法(测通断)或通电排查法(测上下端电压)确认。
检查接线是否松动或断裂;观察接触器触点是否磨损严重。热继电器(FR)若发生单相动作而非三相联动,则意味着热继电器本身出现故障。
内部绕组断路。测量时需断开星-三角连接片,测量 U₁-U₂、V₁-V₂、W₁-W₂ 间的阻值。
综合维护总结
无论是保险丝熔断、接触器故障还是热继电器故障,均意味着电路存在异常。在更换部件时,除注意规格一致外,必须确认电动机及整个电路状态良好。通电运行初期,重点关注:
1. 电动机电流值;
2. 运行声音(轴承和负载);
3. 电动机温度(重点关注两端轴承端温度)。













