操作三速锚机,测试及分析过载保护动作
第一节 锚机对电力拖动控制的基本要求
各类船舶的锚机的拖动控制系统基本相同,不论是电动的锚机还是液压的锚机,它们的技术要求也基本相同,可以简单归纳为以下几点:
(1)在锚机的控制系统中应设置自动逐级延时启动电路和应急保护电路。
(2)电动机应具有足够大的过载能力,应能满足任何一种起锚状态所需要的最大转矩,并且能在最大负载力矩下启动,工作定额不小于30 min, 电动机启动次数不宜过于频繁,但要满足 30min 内启动25次,应选用防水和短期工作制的电动机。
(3)电动机在堵转情况下能承受堵转电流的时间为1min(堵转力矩为额定力矩的2倍), 在堵转时,对直流电动机而言,应能使电动机自动转到人为设定的机械特性上运行,对交流电动机而言,应能自动转换到低速运行。
(4)为满足必需的起锚速度和拉锚入孔时的低速,要求电动机有一定的调速范围, 一般要求在3:1~5:1。
(5)在电动抛锚时,由于是位能性负载,要求控制系统必须具有稳定的制动抛锚功能,匀速抛锚。
(6)采用电气和机械联合制动,以便满足快速停车及系缆时具有轻载高速性能的要求;电力拖动装置应能满足在给定航区内,单锚破土后,能收起双锚。
(7)对电动液压锚机来讲,它应具有可独立驱动的电动机,其液压管路不应受其他甲板机械的管路影响。链轮和驱动轴之间应装设离合器,离合器应有可靠的锁紧装置;链轮或卷筒应装有可靠的制动器,制动器刹紧后应能承受锚链断裂负荷45%的静拉力;锚链轮上必须装有制链器(机械式的)。
第二节 船用锚机控制原理
一、识读三速锚机控制电路图
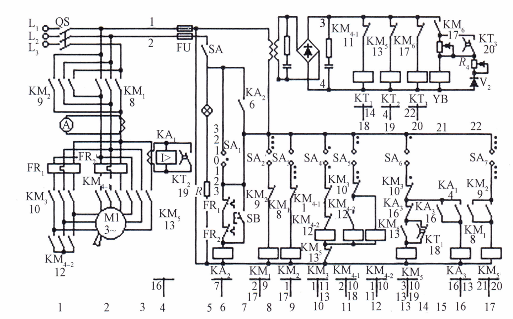
我国的交流锚机广泛采用多速变极鼠笼式异步电动机拖动,16/8/4极交流三速鼠笼式异步电动机,其定子上有两套套组:高速4极星形(Y) 接法,单独一套绕组;变极绕组,16极低速是三角形(△)接法,8极中速是双星形(YY) 接法,从三角形接法改成双星形接法属于恒功率调速。这样可以保证低速时有大的转矩(即满足两倍额定转矩启动)。中速8极为额定极。 低速和中速合用一套绕组,因为需要进行三角形接法和双星形接法间的转化。交流三速锚机电动机的控制电路如图22-1所示。就该图而言,其主回路是一个典型的正反转加星三角切换回路,KM, 和KM₂ 接触器用于进行正反转切换,理下线路,可以发现这两个接触器的L₁ 和 L₃ 相接线正好互换,因此起到正反转切换的作用。
二 、三速锚机控制电路的控制系统及特点
控制系统中的主令控制器上正反转操作均有三挡位置,分别来控制三挡速度,拖动系统设计低速与中速可直接启动,高速则要通过中速延时启动。由于电动机的中速与高速设计成恒率形式,因此线路中设置了在高速挡过载时能自动退回到中速挡运行的保护电路。在图22-1中,该保护是由过流继电器KA₁(4) 来反映负载大小的,为了避免高速加速电流使过电流继电器误动作,设置了一个时间继电器KT₂ (19), 暂时短接过电流继电器。另外,正反转是对称控制线路,系统采用了可逆的对称控制,用主令控制器来控制锚机电动机的启动、调速、停止及反转。

图22-1 交流三速锚机电动机的控制电路
当锚机电动机在高速挡运行时,一旦由于某种原因过载,系统能自动瞬时转换到中速挡运行。在负载减小后,若需重新回到高速挡运行,则必须将主令控制器手柄从“高速”扳回到“中速”,然后扳到“高速”,这样锚机电动机才能重新进入高速运行。
系统中设置有失压保护,在低速与中速挡设置了热(继电器过载)保护,在高速绕组回路中设置了过载监视[过电流继电器KA₁(4) 的动作电流设置为高速挡额定电流的110%]。收锚和抛锚(正反转)主接触器 KM₁(8) 与 KM₂(9) 之间以及KM₃(10) 与 KM₄(11 、12) 之间设置机械联锁装置,目的是防止电源短路。控制电路采用熔断器做短路保护。
第三节 线路分析与操作指导
一 、启动及运行
当合上电源主开关QS 和控制电路电源开关SA(5) 时,主令控制器面板上的电源指示灯 HL(5) 亮,表示主电源及控制电源都已提供(接通)。
(一)主令控制器手柄在零位:
主令触点SA₁(6) 闭合,失压继电器KA₂(6) 得电,其常开触点KA₂(7) 闭合自锁,控制电路 获电,并接通控制电路的电源和整流电源。此时,时间继电器 KT₁(18) 通电,触点KT₁(14) 瞬时断开,切断KM₅ (13) 回 路 ;KT₂ (19) 通电,触点 KT₂ (4) 瞬时闭合,短接过电流继电器 KA₁ (4) 。KT₃(20) 通电,KT₃(22) 瞬时闭合,短接经济电阻R, 为直流电磁制动器吸合线圈YB(21) 全压通电做准备。需要注意的是,我们这里有个电磁制动器,此处电磁制动器为直流形式,需通过整流器整流实现,因此在分析电磁制动器相关故障的时候,除了机械部分的故障,还要考虑电气部分的故障。
(二)起锚“1”挡:
当手柄扳到起锚“1”挡的位置时,主令触点SA₁(6) 断开,主令触点 SA₂(8)、SA₄(10)、SA₇(17) 闭合,SA₂(8) 闭合使起锚接触器KM₁(8) 线圈通电,主触点KM₁(2) 闭合,为电动机起 锚做好准备。辅助触点KM,(9) 断开起互锁作用;SA,(17) 闭合,由于KM₁(17) 闭合,制动接触 器 KM₆(17) 通电,其触点KM₆(21) 闭合,直流电磁制动器线圈 YB(21) 因得到全电压,立即强 励快速松闸(释放电动机轴)。同时,由于触点KM₆(20) 断开,时间继电器 KT₃(20) 立即失电,其触点KT₃(22) 延时不长于1s 断开,使经济电阻R₃ 串入电磁制动器线圈电路中,以减少线圈 电流的热损耗;SA₄(10) 闭合,低速接触器KM₃(10) 通电,其主触点KM₃(1) 闭合,电动机低速 起锚,常闭触点KM₃(11 、13)打开,分别锁住中速和高速接触器,防止误动作。
(三)起锚“2”挡:
当主令控制器手柄扳到起锚“2”挡时,触点SA₂(8)、SA₇(17)、SA₅(11) 闭合,SA₄(10) 断 开。低速接触器KM₃(10) 失电。中速接触器 KM4-2(12)、KM4-1(11)相继通电,电动机接成双 星形进入中速运转。同时,时间继电器 KT₁ (18) 因 触 点 KM₄-1(18) 断开而失电,其触点 KT₁ (14) 延 时 2s 闭合,为进入高速起锚做准备。
(四)起锚“3”挡:
当主令控制器手柄扳到起锚“3”挡时,触点SA₂(8)、SA₇(17)、SA₅(11)、SA₆(13) 闭合。高 速接触器KM₅(13) 通电,其主触点闭合,电动机的另一套星形绕组接通电源电动机进入高速 起锚;辅助触点KM₅(13) 闭合自锁;KM₅(10) 断开,锁住低速和中速接触器支路;KM₆(19) 断 开,使KT₂(19) 失电,其触点KT₂(4) 延时2.5s 断开,此时间是电动机高速启动的整定时间,在 此时间内触点闭合为避免过电流继电器KA₁ (4) 动作,使电动机不能上高速,当启动完毕后,触 点打开,使KA₁(4) 起高速运行过载保护作用。
(五)由零位直接扳到起锚“3”挡:
如果主令控制器手柄由零位直接扳到起锚“3”挡时,则 KM₄-2、KM-1 先通电,电动机直接 中速启动,然后经过时间继电器KT₁ 延时后,高速接触器KM, 才通电,从而转换到高速运转。
( 六 ) 停 车:
当主令控制器手柄扳到零位时,各接触器线圈都失电,其主触点皆断开,同时,电磁制动器 线圈失电,但不马上制动,线圈中的储能通过二极管V₂(22) 和放电电阻R₄ 放电,线圈电流下 降到释放电流后才进行机械制动,使电动机迅速停止运转。调整放电回路的电阻 R₄ 可调整放 电时间,从而调整刹车制动的时间。实际操作中,在手柄从高速扳回零位的过程中,手柄依次经过并接通中低速,电动机首先 进行再生制动,转速会有较大的降落,再经断电后的延时制动,使机械制动是在较低的转速下 进行的,以减小机械制动的冲击。
二 、抛 锚
主令手柄放在抛锚各挡时,工作情况与起锚时相同,仅仅使方向接触器 KM₂ 线圈通电, KM₁ 线圈断电,使电动机反转。另外,深水抛锚时,电动机在锚重的拖动下进入再生制动状 态,实现等速抛锚,读者可自行分析。
三、主要保护环节
(一)零位(失压)保护:零位保护由失压继电器 KA₂ 实现,并与SA₁ 相配合。当主令手柄不在零位时电网失电, 零电压继电器KA₂ 触点释放,切断控制电路;之后,即使电网恢复供电,系统仍不能工作,必须 待主令手柄回零位后,KA₂ 重新获电,系统才能恢复工作。
(二)高速挡过载保护:高速挡运行过载时,过流继电器 KA, 动作,其触点打开,接触器KM₅ 断电释放,使KM-2、 KM₄-1相继通电动作,电动机转换到中速级运行。KM₅ 断电后,其自保触点打开,因而过载消失 后不能再自行通电,如需高速运行,必须将手柄从第三挡退回第二挡,再扳回第三挡。
(三)中低速级过载保护及其应急起锚:中低速级过载保护由热继电器FR₁ 和 FR₂ 实现。当热继电器FR₁ 和 FR₂ 过载动作时,因 热继电器自动复位时间需2min 左右,在应急情况下,仍需要电动机在低中速级运行时,可按 下主令控制器上的应急按钮SB, 使电动机继续强行工作。
(四)起锚与抛锚电气互锁保护:起锚与抛锚电气互锁保护通过正反转方向接触器KM₁ 和 KM₂的常闭辅助触点KM₁、KM₄ 互相串联在对方线圈回路中实现。
(五)中低速绕组换接互锁保护:中低速绕组是一套变极绕组,为防止同时接通电网造成电源短路,必须要求互锁,将KM₃ 和 KM4-2、KM4₋,接触器的常闭触点互相串联在对方线圈回路。
第四节 系统的维护管理
三速交流电动机和制动器的维护管理可以分为日常检查养护、常规保养和大检修三种:
一、日常检查养护
日常检查养护的主要内容包括:检查设备周围有无异物,对电动机外表进行清洁;检查电 动机的底脚螺栓及各紧固件有无松动;检查电动机联轴器是否正常;检查接地线接地是否良 好;检查电动机绕组绝缘是否正常(一般应不低于2 MΩ); 通电检查制动器的吸合是否正常。此外,对于底部带放水孔的电动机,应该定期旋开螺栓,泄放出冷凝水。
二、常规保养
常规保养的周期一般为6个月,船舶可以根据设备的使用频繁程度及设备说明书要求做 适当的调整。检查的内容包括:打开接线盒,检查桩头接线是否松动、接线是否破损或磨破;检 查电动机水密情况是否良好;测量刹车间隙,若太大就要做适当调整;检查电动机联轴器连接 螺栓和弹性橡皮圈是否正常;检查轴承润滑油脂是否变质,添加适量润滑油脂。
三、大检修
电动机和制动器的大检修(拆检)周期为3~5年。大检修时要对电动机进行解体清洁。测量各线圈的绝缘电阻,若低于要求电阻,则应进行 绝缘处理;检查各线圈是否松动、短路、开路及其可靠性;发现绝缘包扎有擦伤和过热化现象 的,应进行修理;检查轴承座及转子轴颈有无走外圆 and 内圆现象,转、定子之间有无擦碰;更换 轴承。在更换轴承时应注意:安装时标有轴承代号的端面必须装在外侧,以便检修时识别。检 查刹车系统,包括刹车盘、刹车线圈、弹簧、摩擦片等。
制动器的气隙调整和处理制动器故障时的应急措施:
(1)制动器经长期使用后,制动件会磨损,从而引起气隙增大和工作弹簧工作长度的增 加,严重时可能使衔铁不能吸上。弹簧工作长度的增加会使制动压力下降,因此必须经常检查 制动器的工作气隙,及时加以调整。
(2)当制动器绕组不通电,欲使制动器处于松脱状态(即制动器不使用)时,可先将螺钉旋 出,拿下垫圈,再旋入螺钉,把衔铁推向电磁铁,顶足,使其气隙为零,此时制动器与衔铁松开, 电动机转子能自由转动,达到人工释放的目的。
(3)电动机运行时,如果遇到制动器发生故障,如制动器绕组断线、硅整流管损坏、电源断 电或断线等,电动机便立即处于制动状态,这时应立即切断电源,卸掉负载,进行检修。在制动 器故障消除后,须先将人工释放螺钉恢复原状,并经试运转后才能正式使用。
第五节 电动机的使用注意事项
一、三速交流电动机的使用注意事项
三速交流电动机在使用中,应经常观察电动机的运行电流,不要使其在超额定电流的情况 下运行,要经常检查电动机的温度,观察有无异味和声响, 一旦发现异常,应立即停机检查,直 到故障消除后,才能够继续使用。需要说明的是,这类电动机一般都是短时运行的,电动机各转速的允许运行时间也是有区别的。
二、电气控制箱和主令控制器的维护管理
电气控制箱和主令控制器是电气部分管理的又一个重点。为了保证控制箱能正常工作, 必须对设备进行定期检查。检查周期按其工作的难度及设备所处的环境和位置等情况来确 定。控制箱的检修分为常规检修和大检修两种。常规检修每月进行一次,大检修每3个月进行一次。常规检修和大检修的具体周期可按 船舶航行时间确定。
- (1)清除箱内的尘埃和脏物;(2)检查各电器元件的紧固件是否有松动现象;(3)检查零部件是否有锈蚀现象;(4)检查控制箱的绝缘电阻是否符合技术条件中的规定数据;(5)检查接地装置是否完好,接地螺钉是否有松动;(6)检查接触器、继电器的线路有无损坏现象;(7)检查接触器是否有异流声,如声音太大,应检查可动部分,并加以矫正;(8)检查主令控制器上的电流表工作是否正常;(9)检查失压零位保护功能是否正常;(10)检查主令控制器各触点的接通次序是否符合接触图表等。检修前要注意:必须切断供电电源,严禁带电检修。
- (1)清洁各接触器的主触点,更换损坏的动、静主触点;(2)检查和整定热继电器的动作电流值;(3)检查和整定高速级过载保护装置的动作值;(4)检查和整定时间继电器的动作时间;(5)检查和调整电磁刹车线圈的吸合电压与维持电压;(6)检查正、反转主接触器的电气联锁和机械联锁是否正常;(7)检查主令控制器有无损伤和裂纹,并测量情况;(8)检查主令控制器紧固件的完整性、紧固状态是否良好;(9)检查主令控制机构是否灵活,有无卡阻,各触点接触是否良好;(10)要在主令控制器滚轮与棘轮之间以及动触点的尾部与凸轮之间等摩擦部分涂上适量的工业凡士林或油脂。
需要提醒的是,在进行大检修之前,应将主配电板上至控制箱的电源开关断开,并在电源 开关的相应位置挂上“检修”警告牌。除了上述的常规检修和大检修以外,日常维护也是很重要的,要检查箱外是否有妨碍其正常冷却的其他物体;箱外的温度是否有过热现象;工作过程中,如发现异常现象,应立即停车检 查,消除事故诱因。
三、过载保护原理分析与测试操作
过载保护触点串联于控制回路,触发时切断所有接触器电源。
1 . 触发条件:当电动机电流持续超过设定值(如额定电流的1.1~1.2倍),过载继电器动作。高速挡位下,过载保护灵敏度更高(因高速绕组电流更大、升温更快)。
2.保 护 逻 辑:过载时,FR 常闭触点断开 → 控制回路失电 → 所有接触器释放 → 锚机停机。复位需手动按下FR 复位按钮或重启系统。
3.重载不上高速原理:负载检测机制:通过电流互感器实时监测负载电流。当负载电流超过中速挡阈值(电流)时,控制系统自动锁定高速挡(禁止KM₃ 吸合)。
四、过载保护测试操作
1. 准备:确保锚机空载运行正常。连接钳形电流表至电动机主回路。
2 .模拟过载:低速挡启动锚机,逐步增加机械负载(如制动锚链)。观察电流表,记录过载继电器动作电流值。
3.验证保护动作:当电流超过设定值时,FR 应动作 → 接触器断开 → 锚机停机。检查故障指示灯或报警信号是否触发。
4.复位与恢复:手动复位过载继电器,重启锚机,确认恢复正常运行。
5.关键观察点:不同速度挡位的过载动作时间差异(高速挡动作更快)。重载时高速挡是否被自动禁止。
五、过载保护整定设置
1.设定依据:参考电动机铭牌参数(如额定电流、功率等)。 锚机应能在过载拉力作用下(不要求速度)连续工作2 min, 过载拉力应不小于工作负载 的1.5倍。通常情况下,锚机的设计会按照这一标准来确定其电动机等设备的参数,以满足过 载工作的要求。在实际运行中,如果电流超过额定电流的1.5倍左右,并持续一定时间,可认 为锚机处于过载电流状态。
2.整定步骤:(1)断开电源,调整过载继电器旋钮至目标设定值。(2)通电后逐步加载至设定电流,验证保护动作是否准确。(3)重复测试,确保整定值稳定可靠。(4)安全操作:测试过载时需逐步加载,避免瞬间大电流冲击。(5)记录数据:详细记录各挡位动作电流值,作为维护依据。(6)复位确认:每次过载保护动作后,须彻底排查原因再复位。













