电动机启动箱接线:控制电器详解与 Y-△ 降压启动实务
电动机启动箱是一种用于控制电动机启动、运行、停止及提供保护功能的电气控制装置,由开关设备、继电器、接触器等控制电器构成。在电动机启动控制中,根据电动机功率和负载特性的不同,通常采用直接启动、Y-△降压启动、自耦变压器降压启动等多种启动方式。本节将重点阐述Y-△ 降压启动的工作原理及接线方法。
一、 控制电器
(一) 按钮
按钮是一种最常用的主令电器,常用来接通或断开电流较小的控制电路,其结构简单,控制十分方便。图16-11所示为按钮结构图及图形符号。

控制按钮的色标颜色代表着按钮的功能,“停止”按钮必须为红色;“急停”按钮必须是红色蘑菇头式;“启动”按钮必须有防护挡圈,防护挡圈应高于按钮头,以防被意外触动产生误动作。
(二) 交流接触器
交流接触器是一种依靠电磁力作用使触点闭合或分离的自动电器,用于接通和断开电动机或其他用电设备的重要电器。如图16-12所示,它主要由铁芯、触点和线圈构成,其中铁芯分为静铁芯和动铁芯,触点分为主触点和辅助触点。

(三) 熔断器
熔断器在低压配电系统和控制系统中,主要作用为短路和过流保护。当通过熔断器的电流大于规定值时,产生的热量使熔体熔化而自动分断电路。使用时,熔断器串联在所保护的电路中,在电路发生短路或严重过电流时快速自动熔断,从而切断电路电源起到保护作用。
熔断器主要由熔体(熔断丝)和熔断管(或熔座)两部分组成。熔断器种类很多,常用的有插入式熔断器、螺旋式熔断器、封闭管式熔断器。图16-13所示为螺旋式熔断器结构图和符号。

图16-13 螺旋式熔断器结构图和符号
(四) 继电器
1. 过电流继电器
过电流继电器是一种具有过载保护特性的过电流继电器,常用于电动机运行的过载保护,其外形、结构原理和符号如图16-14所示。它是利用电流的热效应而动作的,当电动机过载时,会使过电流继电器的发热元件发热,引起双金属片弯曲,推动导板使接在控制回路中的动断触点分断,从而使接触器线圈也失电,通过接触器主触点分断电动机的主路,以达到过载保护的目的。

2. 时间继电器
时间继电器具有接收或失去电信号后触点延时动作的特点。它有电磁式、空气阻尼式、电动式、钟摆式及半导体式等多种类型。根据其在线路中的动作要求,通常可分为延时断开的动断触点、延时断开的动合触点、延时闭合的动合触点、延时闭合的动断触点四种类型。各类触点的动作要求及图形符号如图16-15所示。

3. AH3-3 时间继电器的参数设置及接线实操
(1) 参数设置:如图16-16所示,AH3-3 时间继电器通过取下设定旋钮、卸下刻度板(有多个刻度板),能看到内部有切换挡位的转换开关,参照铭牌拨动转换开关至分钟(MIN) 对应的挡位,再装回刻度板与旋钮。

(4) 了解继电器端子:熟悉AH3-3 时间继电器各接线端子的功能。如图16-17所示,1、3、4为无延时触点,5、6、8 为延时触点。

(5) 电源接线:找到标有电源输入的接线端子2、7。若工作电源为交流电源,且电压为220 V, 将交流电源的火线接入2号端子,零线接入7号端子;若工作电源为直流电源,注意正负极,正确连接到对应的电源端子上,正极接7号端子,负极接2号端子,确保电源电压与继电器额定电压一致。
- ① 延时闭合(常开触点):若用于控制电动机延时启动等场景,需使用延时闭合功能。找到延时闭合触点对应的接线端子6、8, 将负载的一端连接到6号端子,另一端连接到电源的相应端。
- ② 延时断开(常闭触点):若用于控制电动机延时停止等场景,需使用延时断开功能。找到延时断开触点对应的接线端子5、8, 将负载一端连接到5号端子,另一端连接电源相应端。
- ③ 瞬时触点接线:瞬时触点1、3可用于一些需要立即动作的控制逻辑。例如,将瞬时触点与报警指示灯连接,在时间继电器通电瞬间,指示灯立即亮起,把指示灯的一端连接到1号端子,另一端连接电源对应端。
(7) 接线检查与测试:
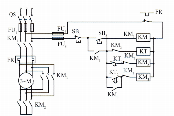
二、 三相异步电动机的 Y-△ 连接转换接线
Y-△ 降压启动控制线路技术成熟,已做成专用的启动设备,如QX3 系列。启动时,定子绕组首先接成星形,待转速上升到接近额定转速时,将定子绕组接成三角形,电动机进入正常运行状态。
图16-18所示为三相异步电动机的Y-△ 连接转换接线。该电路使用了3个接触器和 1个时间继电器。接触器 KM 引入三相电源;KM₃ 将定子三相绕组接成三角形;KM₂ 将定子三相绕组接成星形;时间继电器起延时作用,星形连接转换成三角形连接。

如果希望在启动时既能限制启动电流,又不降低启动转矩,则可选用绕线式三相异步电动机。启动时,在其转子电路中串入启动电阻或频敏变阻器;启动完毕时,将转子电路中串入的启动电阻或频敏变阻器由控制电路自动切除。













